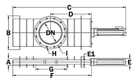
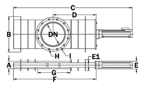
Особенности:
- материал корпуса/шибера: нержавеющая сталь 304L или низкоуглеродистая сталь
- покрытие: матирование стеклянной дробью, текстурированная, электрополированная или окрашенная низкоугл. сталь • уплотнение штока: двойное кольцевое или лабиринтное Герметичность на протяжении до 1 млн циклов*
- привод: электропневматический, электро и гидравлический
- магнитные индикаторы положения в станд. комплектации
- уплотнительные кольца Viton или Buna на фланце, шибере, крышке, штоке
- не требует смазки – устойчив к загрязнениям
- без пружин, надежный механизм, рассчитанный на 2 млн. циклов
- простое обслуживание – не требуется снимать корпус затвора
* в условиях чистого вакуума
| Параметр | Значение |
| Уровень натекания | <1х10-9 станд. см куб/сек Не |
| Уровень вакуума | 1х10-7 мм рт. ст. (1.3 х10-7 мбар) |
| Герметичность в обоих направлениях с максимальным перепадом давления | 1.5 атм (1.47 бар) |
| Максимальная рабочая температура | 400oF (200oC) |
|
Установка в любом положении |
да |
| Соленоид | 24V DC/110 V AC/220V AC |
|
Пневматическое открытие и закрытие |
да |
| Необходимое давление воздуха | 80-120 psig( 5.5-8.3 бар) |

Все покупки на сайте осуществляются с помощью безналичной оплаты.
Все платежи для физических лиц осуществляются через сервис Paykeeper.
Также возможно оформление счета для оплаты от юридического лица (мы работаем с НДС).
Подробная информация на странице «Условия оплаты».

Мы доставляем грузы несколькими транспортными компаниями, подробнее узнать о которых вы можете в разделе «доставка».
Выбрать вариант доставки вы можете при оформлении заказа на сайте, либо связавшись с менеджером
Срок поставки менеджер уточнит после оформления заявки.