MS40 + - это черновой (передний) насос, который лучше всего подходит для приборов LC / MS и ICP-MS. Одноступенчатый роторно-лопастной насос MS40+ с масляным уплотнением, обеспечивающий высокую скорость перекачки в насосе с уменьшенными габаритами, оснащен встроенной системой фильтрации выхлопных газов /масла со сменными фильтрующими элементами выхлопных газов. Это делает этот насос пригодным для работы в условиях высокой производительности газа и обеспечивает базовое давление <5-2 мбар.
- Двигатель с инверторным приводом позволяет регулировать скорость и давление, а также снижает энергопотребление.
- Высокая стабильность давления в 10диапазон давления -2 мбар.
- Доступны масла AVF gold и platinum.
| Параметр | Значение |
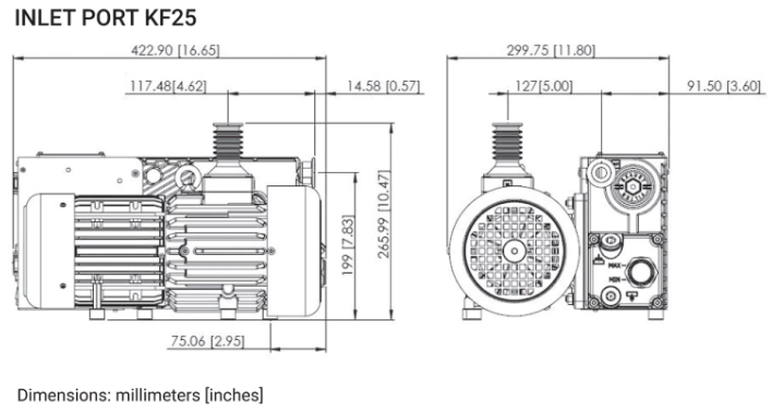
| Размеры (ШхВхГ) |
298 мм x 266 мм x 419 мм |
| Выпускной патрубок |
NW25 |
| Высота |
266 мм |
| Входное напряжение |
200-240 В, 50/60 Гц |
| Длина |
419 мм |
| Уровень шума |
≤62 дБА |
| Производительность масла Мин/Макс |
1 л |
| Максимальное парциальное давление |
≤0,05 мбар |
| Вес |
33 кг |
| Ширина |
298 мм |
Все покупки на сайте осуществляются с помощью безналичной оплаты.
Все платежи для физических лиц осуществляются через сервис Paykeeper.
Также возможно оформление счета для оплаты от юридического лица (мы работаем с НДС).
Подробная информация на странице «Условия оплаты».

Мы доставляем грузы несколькими транспортными компаниями, подробнее узнать о которых вы можете в разделе «доставка».
Выбрать вариант доставки вы можете при оформлении заказа на сайте, либо связавшись с менеджером
Срок поставки менеджер уточнит после оформления заявки.