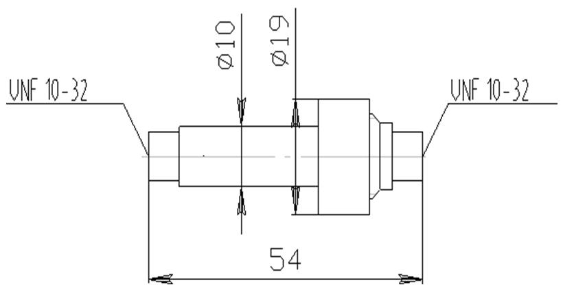
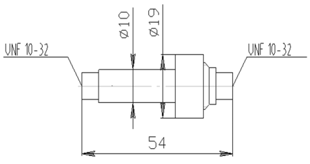
- Колонка хроматографическая низкого давления
- Рабочий объём 1 мл
- Рабочее давление 1 МПа
- Материал корпуса РЕЕК
- Фильтры из материала СВМПЭ
- Размеры пор 20 мкм
- Подключение UNF 10-32
- Пустая для самостоятельного заполнения
Все покупки на сайте осуществляются с помощью безналичной оплаты.
Все платежи для физических лиц осуществляются через сервис Paykeeper.
Также возможно оформление счета для оплаты от юридического лица (мы работаем с НДС).
Подробная информация на странице «Условия оплаты».

Мы доставляем грузы несколькими транспортными компаниями, подробнее узнать о которых вы можете в разделе «доставка».
Выбрать вариант доставки вы можете при оформлении заказа на сайте, либо связавшись с менеджером
Срок поставки менеджер уточнит после оформления заявки.