Опоры оптического стола 1TS сконструированы в первую очередь для сотовых оптических плит 1НТ. Опоры изготовлены из стальных труб квадратного сечения со стороной 100 мм с декоративным черным покрытием. 1TS образуют две опоры формы «Н», соединенные балкой.
Опоры оптического стола 1TS подходят и к другим типам оптических плит и к прочему оборудованию. Это возможно по той причине, что плиты не прикручиваются к опорам, а свободно лежат на них.
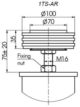
Опоры могут поставляться с различными системами выравнивания и вибрационного контроля.
- Изготовлены из стальных труб квадратного сечения
- Большой набор стандартных размеров
- Легко собираются и устанавливаются
- На заказ могут быть изготовлены опоры любых размеров и конфигурации
- Возможно изготовление опор из немагнитного материала
- Возможна установка колёсиков и подлокотников
| Параметр | Значение |
| Длина, мм | 2200 |
| Ширина, мм | 650 |
| Высота, мм | 600 |
| H, мм | 760±25 |
| Грузоподъемность, кг | 1500 |
Все покупки на сайте осуществляются с помощью безналичной оплаты.
Все платежи для физических лиц осуществляются через сервис Paykeeper.
Также возможно оформление счета для оплаты от юридического лица (мы работаем с НДС).
Подробная информация на странице «Условия оплаты».

Мы доставляем грузы несколькими транспортными компаниями, подробнее узнать о которых вы можете в разделе «доставка».
Выбрать вариант доставки вы можете при оформлении заказа на сайте, либо связавшись с менеджером
Срок поставки менеджер уточнит после оформления заявки.