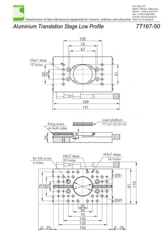
Обеспечивают перемещение вдоль одной оси. Перемещаемые детали крепятся на платформе при помощи нарезных отверстий М6 и М4. Трансляторы имеют центральное отверстие с чистой апертурой диаметром 50 мм (2 дюйма), которая остаётся неперекрытой на перемещении более 15 мм.
Отверстие может быть закрыто вставной платформой. Вставная платформа может вращаться и предоставляет дополнительные крепёжные отверстия. Её положение может быть зафиксировано при помощи двух винтов. Кронштейны 2АВ167-50 позволяют собрать трансляторы 7Т167 в X-Y-Z конфигурацию.
- Высокоточное перемещение вдоль одной оси
- Перемещение 50 мм
- Сборная X-Y-Z конфигурация
- Обратимые для левосторонних или правосторонних приложений
- Чистая апертура 2 дюйма (50 мм) диаметром
- Вставная платформа с отверстиями под винты М6 и М4
| Параметр | Значение |
| Перемещение | 2" (50.8 мм) |
| Чувствительность | 1 мкм |
| Точность установки | 5 мкм (полделения) |
| Количество осей | 1 |
|
Нагрузка |
|
| Горизонтальная | 16 кг |
| Вертикальная | 7 кг |
|
Соединительные скобы |
|
| X-Y | Напрямую |
| Z | 2AB167-50 |
Все покупки на сайте осуществляются с помощью безналичной оплаты.
Все платежи для физических лиц осуществляются через сервис Paykeeper.
Также возможно оформление счета для оплаты от юридического лица (мы работаем с НДС).
Подробная информация на странице «Условия оплаты».

Мы доставляем грузы несколькими транспортными компаниями, подробнее узнать о которых вы можете в разделе «доставка».
Выбрать вариант доставки вы можете при оформлении заказа на сайте, либо связавшись с менеджером
Срок поставки менеджер уточнит после оформления заявки.