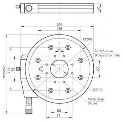
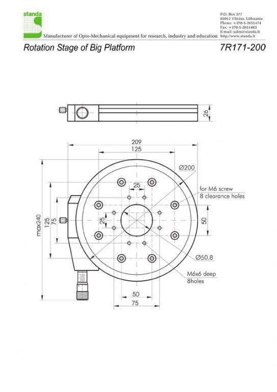
Используется для ручного вращения оптических элементов непрерывно на 360° с точностью 1° с последующей точной настройкой при помощи микровинта в пределах 10° с точностью 0,5’. Столик имеет отверстие с чистой апертурой 50 мм. Платформа имеет набор крепёжных отверстий М6.
- Платформа 200 мм
- Грубое вращение 360°
- Точное вращение 10°
- Отверстие с чистой апертурой диаметром 50 мм (2 дюйма)
| Параметр | Значение |
|
Диапазон вращения |
|
| Грубо | 360° |
| Точно | 10° |
| Точность установки | 0.5’ |
| Чувствительность | 0.1’ |
| Качание | 1’ |
|
Нагрузка |
|
| Горизонтальная | 15 кг |
| Масса | 2.55 кг |
Все покупки на сайте осуществляются с помощью безналичной оплаты.
Все платежи для физических лиц осуществляются через сервис Paykeeper.
Также возможно оформление счета для оплаты от юридического лица (мы работаем с НДС).
Подробная информация на странице «Условия оплаты».

Мы доставляем грузы несколькими транспортными компаниями, подробнее узнать о которых вы можете в разделе «доставка».
Выбрать вариант доставки вы можете при оформлении заказа на сайте, либо связавшись с менеджером
Срок поставки менеджер уточнит после оформления заявки.