Контроллеры серии E-836 представляют собой очень компактные усилители, обеспечивающие выходное напряжение от -30 до +130 В. Усилители выпускаются в двух модификациях:
- E-836.03 – OEM модуль усилителя;
- E-836.1G – усилитель в настольном корпусе.
Контроллеры пaредназначены для управления пьезоактуаторами и пьезоплатформами без обратной связи.
OEM модуль E-836.03 имеет экранирующий кожух, отлично подходит для создания узлов управления многокоординатными системами.
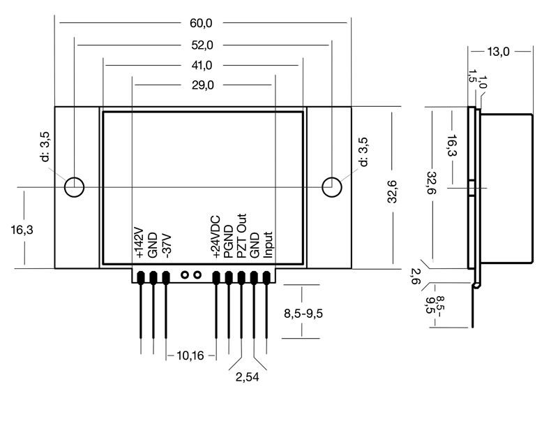
Модификация E-836.1G имеет аналогичную E‑836.03 функциональность и часто используется в лабораториях на начальных этапах работы с оборудованием.
Усилители обладают низким уровнем шумов, защитой от короткого замыкания, перегрева и перегрузки по току. Включение и выключение контроллеров происходит без скачков выходного напряжения. Напряжение питания усилителей составляет 24 В, в комплект поставки модификации E-836.1G включён соответствующий блок питания.
|
Параметр |
Значение |
|
Назначение |
Компактный OEM усилитель, 1 канал |
|
Усилитель |
|
|
Входное управляющее напряжение |
от -2 до +12 В |
|
Выходное напряжение |
от -30 до +130 В |
|
Пиковый выходной ток (< 8 мс) |
100 мА |
|
Средний выходной ток |
50 мА |
|
Ограничение по току |
Защита от короткого замыкания |
|
Коэффициент усиления по напряжению |
10±0.1 |
|
Шум, от 0 до 100 кГц |
0.8 мВ (rms) |
|
Внутренняя ёмкость |
10 нФ |
|
Выходное полное сопротивление |
5 Ом |
|
Входное полное сопротивление |
0.5 МОм |
|
Прочие характеристики |
|
|
Контакты |
Контакты для пайки Ø 0.7 мм |
|
Диапазон рабочих температур |
От 5 до 50 °С |
|
Защита от перегрева |
Отключение при 85 °С |
|
Рабочее напряжение |
24 В ±10% |
|
Макс. потребляемая мощность |
10 Вт |
Все покупки на сайте осуществляются с помощью безналичной оплаты.
Все платежи для физических лиц осуществляются через сервис Paykeeper.
Также возможно оформление счета для оплаты от юридического лица (мы работаем с НДС).
Подробная информация на странице «Условия оплаты».

Мы доставляем грузы несколькими транспортными компаниями, подробнее узнать о которых вы можете в разделе «доставка».
Выбрать вариант доставки вы можете при оформлении заказа на сайте, либо связавшись с менеджером
Срок поставки менеджер уточнит после оформления заявки.