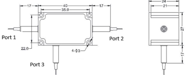
Особенности:
- Оптический многомодовый циркулятор 460 - 690 нм;
- Трехпортовая конфигурация;
- Низкие вносимые потери < 2,5 дБ;
- Высокая изоляция > 19 дБ;
- Диаметр сердцевины волокна 50 мкм или 62,5 мкм.
Применение:
- WDM системы;
- Компенсация дисперсии;
- Оптические усилители;
- Волоконно-оптические датчики;
- Тестирование и измерения.
| Параметр | Значение |
| Центральная длина волны | 460, 532, 635, 650, 660, 690 нм |
| Полоса пропускания | +/- 5 нм |
| Вносимые потери (тип.) | 2,0 дБ |
| Вносимые потери (макс.) | 2,5 дБ |
| Изоляция (тип.) | 19 дБ |
| Изоляция (мин.) | 16 дБ |
| Оптические обратные потери | ≥ 25 дБ |
| Перекрестные помехи | ≥ 25 дБ |
| Тип волокна | 50/125 мкм MM, 62.5/125 мкм MM OM3 |
| Максимальная оптическая мощность (CW) | 100 мВт |
| Рабочая температура | 10 - 45 °C |
| Температура хранения | -10 - 65 °C |
*Для циркуляторов с коннекторами, IL будут на 0,3 дБ выше, RL будет на 10 дБ ниже. Мощность передаваемая через коннекторы менее 1 Вт
Все покупки на сайте осуществляются с помощью безналичной оплаты.
Все платежи для физических лиц осуществляются через сервис Paykeeper.
Также возможно оформление счета для оплаты от юридического лица (мы работаем с НДС).
Подробная информация на странице «Условия оплаты».

Мы доставляем грузы несколькими транспортными компаниями, подробнее узнать о которых вы можете в разделе «доставка».
Выбрать вариант доставки вы можете при оформлении заказа на сайте, либо связавшись с менеджером
Срок поставки менеджер уточнит после оформления заявки.