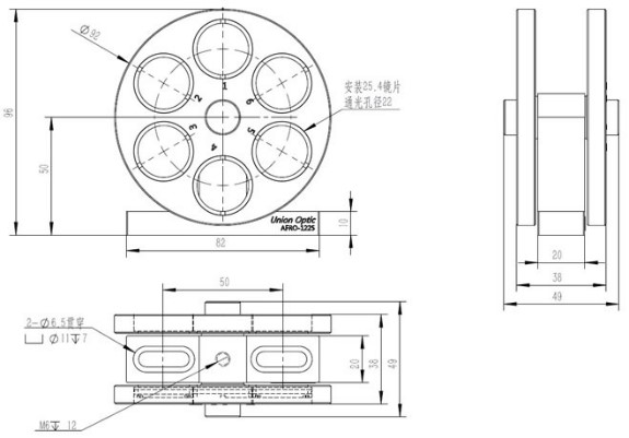
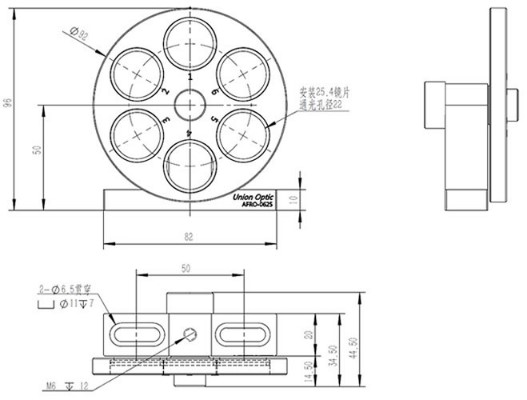
Данные крепления фильтров представляют собой однослойное колесо AFRO-0625 и двухслойное колесо AFRO-1225 с шестью переключаемыми уровнями.
|
Модель |
Количество фильтров |
Диаметр A (мм) |
Апертура B (мм) |
Прижимное кольцо крепление (мм) |
Верхнее винтовое крепление (мм) |
Отверстия крепления |
Материал |
Вес (г) |
|
AFRO-0625 |
6 |
25.4 |
22 |
Толщина 1-4мм |
Толщина>3mm |
М6 или два М6 отверстия с потайной головкой с шагом 50 мм |
Анодированный алюминий |
190 |
|
AFRO-1225 |
12 |
25.4 |
22 |
Толщина 1-4мм |
Толщина>3мм |
270 |
Все покупки на сайте осуществляются с помощью безналичной оплаты.
Все платежи для физических лиц осуществляются через сервис Paykeeper.
Также возможно оформление счета для оплаты от юридического лица (мы работаем с НДС).
Подробная информация на странице «Условия оплаты».

Мы доставляем грузы несколькими транспортными компаниями, подробнее узнать о которых вы можете в разделе «доставка».
Выбрать вариант доставки вы можете при оформлении заказа на сайте, либо связавшись с менеджером
Срок поставки менеджер уточнит после оформления заявки.