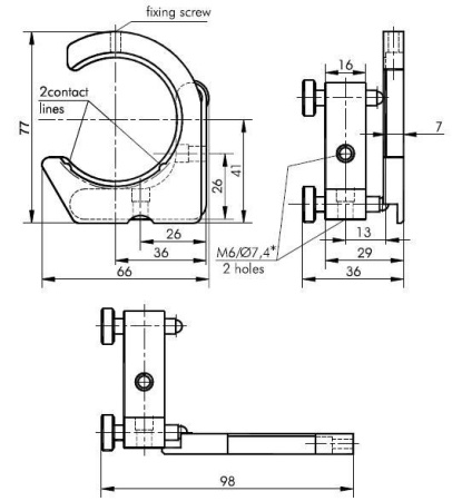
Производится модель 5F21M-2-SH. Код SH обозначает шестигранные винты, установленные вместо стандартных регулировочных ручек в модели 5F21-2. Вставьте винт M4 в комбинированное отверстие M6/Ø7, чтобы прикрепить держатель непосредственно с помощью резьбы M4 или закрепите держатель прямо на резьбе M6.
- Возможность быстро удалять оптический элемент из экспериментальной установки и возвращать его обратно
- Регулировка наклона в пределах 8°, чувствительность 3 угловых секунды
- Кинематическая конструкция
- Для оптики диаметром 50,8 мм (2 дюйма)
- Диаметр светового отверстия 49 мм
- Повторяемость 20 мкрад
- Дизайн со свободным краем
- Возможен вариант с настройкой шестигранным ключом
- Материал: алюминий с черным анодированным покрытием
- Винт: 9SH127 под шестигранный ключ (в комплекте)
Все покупки на сайте осуществляются с помощью безналичной оплаты.
Все платежи для физических лиц осуществляются через сервис Paykeeper.
Также возможно оформление счета для оплаты от юридического лица (мы работаем с НДС).
Подробная информация на странице «Условия оплаты».

Мы доставляем грузы несколькими транспортными компаниями, подробнее узнать о которых вы можете в разделе «доставка».
Выбрать вариант доставки вы можете при оформлении заказа на сайте, либо связавшись с менеджером
Срок поставки менеджер уточнит после оформления заявки.