ВВО ячейки Поккельса (BBO Pockels Cells) — это лазерные устройства, разработанные на основе электрооптического эффекта. При подаче напряжения на электрооптический кристалл изменяется показатель преломления кристалла. Разница фаз, вызванная двойным лучепреломлением для поляризованного света, проходящего вдоль оптической оси, приводит к изменению состояния поляризации после выхода из кристалла. Принцип работы ячеек Поккельса на основе BBO основан на поперечном электрооптическом эффекте. Таким образом, рабочее напряжение можно эффективно снизить, изменив размер кристалла BBO.
Компания CASTECH может изготавливать ячейки BBO Pockels с различными характеристиками и требованиями. Продукция может применяться в различных условиях эксплуатации. Благодаря низкому уровню дребезжания ячеек BBO Pockels в сочетании с собственным драйвером CASTECH можно достичь частоты повторения 1 МГц. Кроме того, CASTECH также предлагает водяное охлаждение и другие специальные аксессуары.
|
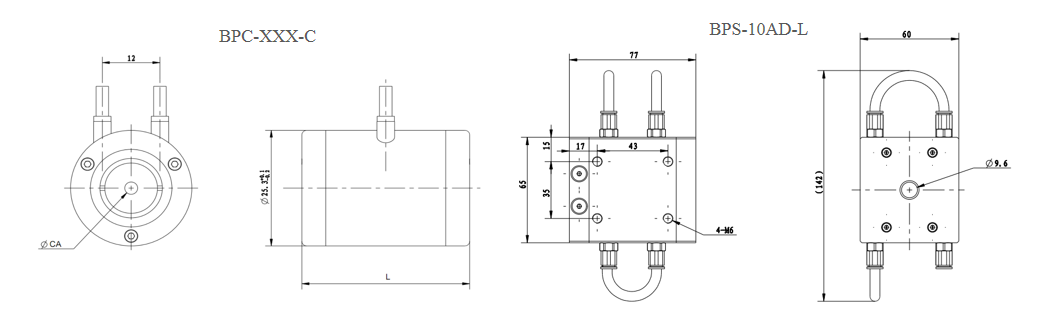
Выбор модели:BPt-alq-b-w |
|||||
|
Type (t) |
Effective Clear Aperture (a) |
Crystal length (l) |
Cascade type(q) |
Optional Accessories(b) |
Wavelength (w) |
|
A (Square) |
3 (2.6 mm) |
A (20 mm) |
S (Single) |
C (Ceramic) |
1030 nm |
|
Типичные технические характеристики |
||||||
|
Апертура* |
Коэффициент вымирания |
Время нарастания / спада |
Каскадный тип |
Пропускание |
Модель |
напряжение λ/ 4*** |
|
3-6 мм |
≥1200:1 |
<10 нс |
Сингл |
≥99% |
3AS |
3,6 кВ |
|
3-6 мм |
≥1000:1 |
<10 нс |
Двойной |
≥98.5 % |
3AD |
1,8 кВ |
|
7-12 мм |
≥500:1 |
<20 нс |
Двойной |
≥98.5 % |
10AD |
5,8 кВ |
|
Порог повреждения 10 Дж/см², 10 нс, 10 Гц |
||||||
|
*Рекомендуется использовать световое пятно (1/e²) размером менее 0,6 от диаметра объектива |
||||||
Все покупки на сайте осуществляются с помощью безналичной оплаты.
Все платежи для физических лиц осуществляются через сервис Paykeeper.
Также возможно оформление счета для оплаты от юридического лица (мы работаем с НДС).
Подробная информация на странице «Условия оплаты».

Мы доставляем грузы несколькими транспортными компаниями, подробнее узнать о которых вы можете в разделе «доставка».
Выбрать вариант доставки вы можете при оформлении заказа на сайте, либо связавшись с менеджером
Срок поставки менеджер уточнит после оформления заявки.