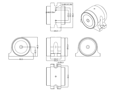
Mode: HFR-5-1064-HP-59X45X44-SD
Продукт серии Rayzer High Power Free Space Faraday Rotator (HFR) — это оптическое устройство, которое изменяет поляризацию света за счет эффекта Фарадея. Вращатели Фарадея поворачивают плоскость поляризации света на 450, сохраняя при этом линейную поляризацию света. Он идеально подходит для сверхбыстрого волоконного лазера, твердотельного лазера, многоуровневого лазерного усилителя, кольцевого лазера, волоконного усилителя EDFA и т.д.
|
Параметр |
Ед. измер. |
Значение |
|
Длина волны |
нм |
1064 |
|
Рабочий интервал длин волн |
нм |
±10 |
|
Пропускание |
% |
≥98 |
|
М2 ухудшение |
% |
≤10 |
|
Угол вращения |
0 |
45±2 |
|
Апертура |
мм |
5 |
|
Мощность |
Вт |
50 |
|
Порог повреждения |
Дж/см2 |
10 |
|
Рабочая температура |
℃ |
От 10 до 30 |
|
Температура хранения |
℃ |
От 0 до 60 |
Информация к заказу
|
HFR - |
(1) Апертура |
(2) Длина волны |
(3) Мощность |
(4) Упаковка |
|
|
2,5-2,5 мм |
780-780нм |
HP - высокая мощность |
S-Опционально |
|
3-3 мм |
1030-1030нм |
LP – низкая мощность |
|
|
|
5-5 мм |
1064-1064нм |
|
|
|
|
S-Опционально |
1550-1550нм |
|
|
Все покупки на сайте осуществляются с помощью безналичной оплаты.
Все платежи для физических лиц осуществляются через сервис Paykeeper.
Также возможно оформление счета для оплаты от юридического лица (мы работаем с НДС).
Подробная информация на странице «Условия оплаты».

Мы доставляем грузы несколькими транспортными компаниями, подробнее узнать о которых вы можете в разделе «доставка».
Выбрать вариант доставки вы можете при оформлении заказа на сайте, либо связавшись с менеджером
Срок поставки менеджер уточнит после оформления заявки.