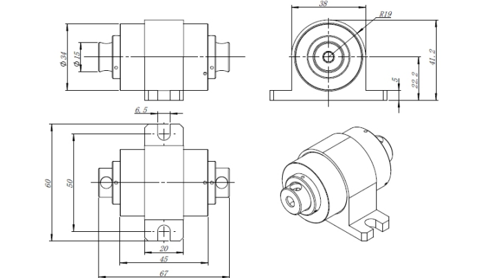
Mode: HIO-5-920-HP-67X41X60-XA
Эти изоляторы от CSRayzer обладают высоким порогом повреждения, высокой пропускной способностью и высокой изоляцией. Он идеально подходит для сверхбыстрого волоконного лазера, твердотельного лазера, многоуровневого лазерного усилителя, волоконного усилителя EDFA и т.д.
|
Параметр |
Ед. измер. |
Значение |
|
Длина волны |
нм |
920 |
|
Рабочий интервал длин волн |
нм |
±10 |
|
Апертура |
мм |
4,8 |
|
Изоляция |
дБ |
≥35 |
|
М2 ухудшение |
% |
≤10 |
|
Пропускание |
% |
≥93% |
|
Мощность |
Вт |
30 |
|
Порог повреждения |
Дж/см2 |
10@10 нс |
|
Рабочая температура |
℃ |
От 10 до 30 |
|
Температура хранения |
℃ |
От -20 до 70 |
Информация к заказу
|
HIO - |
(1) Апертура |
(2) Длина волны |
(3) Мощность |
(4) |
|
|
2,8-2,8 мм |
1030-1030 нм |
HP - высокая мощность |
81x52x38 |
|
5-5 мм |
1064-1064 нм |
LP – низкая мощность |
113x54x54 |
|
|
S-Опционально |
1550-1550 нм |
|
S-Опционально |
Все покупки на сайте осуществляются с помощью безналичной оплаты.
Все платежи для физических лиц осуществляются через сервис Paykeeper.
Также возможно оформление счета для оплаты от юридического лица (мы работаем с НДС).
Подробная информация на странице «Условия оплаты».

Мы доставляем грузы несколькими транспортными компаниями, подробнее узнать о которых вы можете в разделе «доставка».
Выбрать вариант доставки вы можете при оформлении заказа на сайте, либо связавшись с менеджером
Срок поставки менеджер уточнит после оформления заявки.