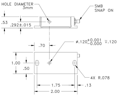
Акустооптические модуляторы AOFS 3100-125 компании Gooch & Housego с центральной частотой 100 МГц и антирефлексным (AR) покрытием оптимизированы для модуляции оптического сигнала в видимом диапазоне длин волн 470 – 690 нм.
Модулятор AOFS 3100-125 из диоксида теллура (TeO2) с активной апертурой 1,5 мм.
Применение
- Обработка материалов
- Микрообработка
- Маркировка
- Печать
|
Параметр |
Значение |
Ед. измерения |
|
Материал |
Диоксид теллура TeO2 |
- |
|
Спектральный диапазон |
470 – 690 |
нм |
|
Звуковая скорость |
4,2 |
мм/мсек |
|
Активная акустическая апертура |
2,5 x 1 ('L' x 'H') |
мм |
|
Центральная частота модуляции |
100 |
МГц |
|
RF пропускная способность |
20 МГц @ -10 дБ обратные потери |
- |
|
Вносимые потери |
4 |
% |
|
Коэффициент отражения поверхности |
1 |
% |
|
Антибликовое покрытие |
MIL-C-48497 |
- |
|
Оптическая плотность мощности |
250 |
Вт/мм² |
|
Входное сопротивление |
50 |
Ом |
|
Коэффициент стоячей волны по напряжению |
1,3:1 |
- |
|
Коэффициент контрастности |
1000:1 мин. |
- |
|
Поляризация |
90° для монтажной плоскости |
- |
Характеристики в зависимости от длины волны
|
Длина волны (нм) |
470 |
532 |
633 |
690 |
|
RF мощность (Вт) |
0,4 |
0,6 |
0,9 |
1,1 |
|
Угол Брэгга (мр) |
5,6 |
6,3 |
7,5 |
8,2 |
|
Разделение пучка (мр) |
11,2 |
12,6 |
15 |
16,4 |
Характеристики в зависимости от диаметра пучка
|
Диаметр пучка (мкм) |
1000 |
1000 |
1000 |
1000 |
|
Длина волны (нм) |
470 |
532 |
633 |
690 |
|
Дифференциальная эффективность (%) |
85 |
85 |
85 |
85 |
|
Время нарастания (нс) |
159 |
159 |
159 |
159 |
Все покупки на сайте осуществляются с помощью безналичной оплаты.
Все платежи для физических лиц осуществляются через сервис Paykeeper.
Также возможно оформление счета для оплаты от юридического лица (мы работаем с НДС).
Подробная информация на странице «Условия оплаты».

Мы доставляем грузы несколькими транспортными компаниями, подробнее узнать о которых вы можете в разделе «доставка».
Выбрать вариант доставки вы можете при оформлении заказа на сайте, либо связавшись с менеджером
Срок поставки менеджер уточнит после оформления заявки.