Акустооптические модуляторы AOMO 3080-120 компании Gooch & Housego с центральной частотой 80 МГц антирефлексным (AR) покрытием оптимизированы для модуляции оптического сигнала в видимом диапазоне длин волн 442 – 633 нм.
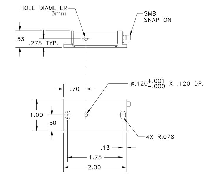
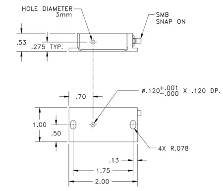
Модулятор AOMO 3080-120 из диоксида теллура (TeO2) с активной апертурой 1,0 мм и минимальным временем нарастания 25 нс.
Применение
- Модуляторы интенсивности
- Лазерное охлаждение
- Лазерный доплеровский виброметр (LDV – Laser Doppler Vibrometer)
- Лазерный доплеровский велосиметр (LDV – Laser Doppler Velocimetry)
- Маркировка
- Обработка материалов
- Микрообработка
|
Параметр |
Значение |
Ед. измерения |
|
Материал |
Диоксид теллура TeO2 |
- |
|
Спектральный диапазон |
442 – 633 |
нм |
|
Звуковая скорость |
4,2 |
мм/мсек |
|
Активная акустическая апертура |
2,5 x 1 ('L' x 'H') |
мм |
|
Центральная частота модуляции |
80 |
МГц |
|
RF Пропускная способность |
20 МГц @ -10 дБ обратные потери |
- |
|
Вносимые потери |
4 |
% |
|
Коэффициент отражения поверхности |
1 |
% |
|
Антибликовое покрытие |
MIL-C-48497 |
- |
|
Оптическая плотность мощности |
250 |
Вт/мм² |
|
Входное сопротивление |
50 |
Ом |
|
Коэффициент стоячей волны по напряжению |
1,3:1 |
- |
|
Коэффициент контрастности |
1000:1 мин. |
- |
|
Поляризация |
90° для монтажной плоскости |
- |
Характеристики в зависимости от длины волны
|
Длина волны (нм) |
442 |
488 |
515 |
633 |
|
RF мощность (Вт) |
0,27 |
0,33 |
0,36 |
0,55 |
|
Угол Брэгга (мр) |
4,2 |
4,6 |
4,9 |
6 |
|
Разделение пучка (мр) |
8,4 |
9,2 |
9,8 |
12 |
Характеристики в зависимости от диаметра пучка
|
Диаметр пучка (мкм) на длине волны 633 (нм) |
200 |
300 |
500 |
|
Дифференциальная эффективность (%) |
80 |
83 |
85 |
|
Время нарастания (нс) |
34 |
49 |
80 |
Все покупки на сайте осуществляются с помощью безналичной оплаты.
Все платежи для физических лиц осуществляются через сервис Paykeeper.
Также возможно оформление счета для оплаты от юридического лица (мы работаем с НДС).
Подробная информация на странице «Условия оплаты».

Мы доставляем грузы несколькими транспортными компаниями, подробнее узнать о которых вы можете в разделе «доставка».
Выбрать вариант доставки вы можете при оформлении заказа на сайте, либо связавшись с менеджером
Срок поставки менеджер уточнит после оформления заявки.