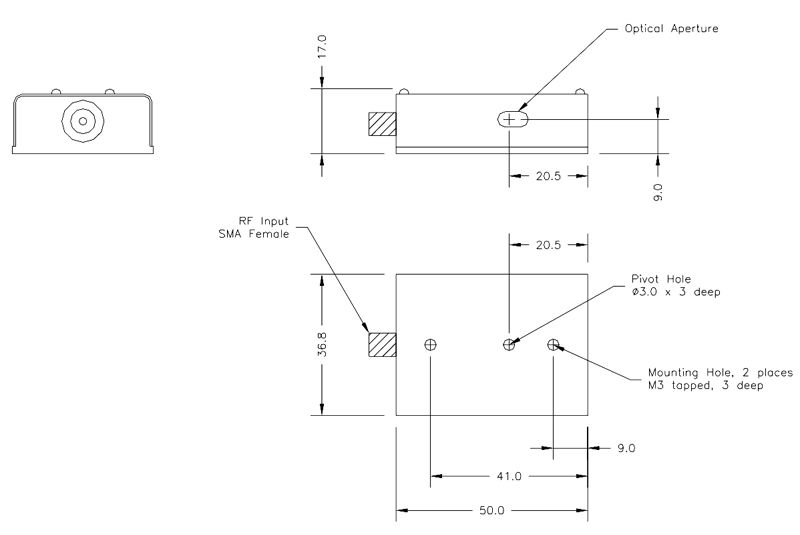
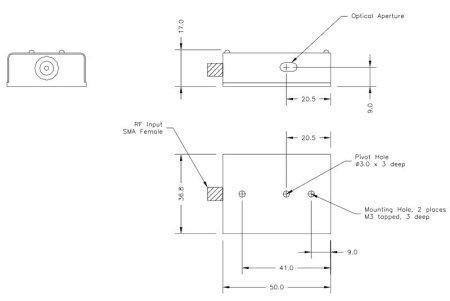
Акустооптические модуляторы I-M110-2C10B6-3-GH26 компании Gooch & Housego оптимизированы для модуляции оптического сигнала в спектральном диапазоне 400 – 540 нм с частотой до 110 МГц. Идеально подходят для удвоенной частоты Nd : YAG и Nd : YVO4 лазеров, а также для диодов или газовых лазеров в этом диапазоне.
Модулятор изготовлен из кристаллического кварца для улучшения управления температурным режимом и эффективностью.
Акустооптический модулятор I-M110-2C10B6-3-GH26 сочетает в себе высокое качество оптической полировки с высоким классом антиотражающего покрытия для поддержания превосходного качество пучка и высокой оптической пропускной способности.
В дополнении к указанной спецификации мы также можем предложить альтернативные длины волн, частоты модуляции, активные апертуры и широкий спектр индивидуальных конфигураций корпуса.
Применение
- Модуляторы интенсивности
- Лазерное охлаждение
- Селекторы импульсов
- Обработка материалов
|
Параметр |
Значение |
Ед. измерения |
|
Материал |
Плавленый кварц (кварцевое стекло) |
- |
|
Спектральный диапазон |
400 – 540 |
нм |
|
Акустический режим |
Сжимающийся |
- |
|
Оптическая поляризация |
Линейная |
- |
|
Частота модуляции |
110 |
МГц |
|
Антирефлексное (AR) отражающее покрытие |
< 0,5 % поверхности |
- |
|
Дифракционная эффективность |
≥ 85 % |
- |
|
Порог повреждения |
> 500 |
мВт/см² (импульсный) |
|
Активная акустическая апертура |
2 |
мм |
|
Время нарастания |
113 |
нс/мм |
|
Угловое расстояние |
10,2 мрад @ 532 нм |
- |
|
Уровень мощности оптического сигнала |
< 5 |
Вт |
|
Входное сопротивление |
50 |
Ом |
|
Коэффициент стоячей волны по напряжению |
1,2:1 |
- |
|
Модулятор 23080-1 |
корпус 53B0504 |
- |
|
Модулятор 23080-1-LTD |
корпус 53B0624 TO1 |
- |
|
Модулятор 23080-2-LTD |
корпус 53B0624 TO1 |
- |
|
Модулятор 23080-3-LTD |
корпус 53B0624 TO2 |
- |
Все покупки на сайте осуществляются с помощью безналичной оплаты.
Все платежи для физических лиц осуществляются через сервис Paykeeper.
Также возможно оформление счета для оплаты от юридического лица (мы работаем с НДС).
Подробная информация на странице «Условия оплаты».

Мы доставляем грузы несколькими транспортными компаниями, подробнее узнать о которых вы можете в разделе «доставка».
Выбрать вариант доставки вы можете при оформлении заказа на сайте, либо связавшись с менеджером
Срок поставки менеджер уточнит после оформления заявки.