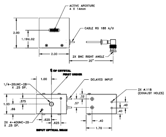
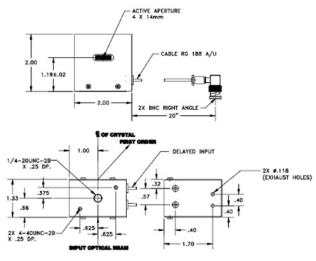
Акустооптические дефлекторы серии AOBD 4100-UV компании GOOCH&HOUSEGO, с центральной частотой управляющего сигнала 100 МГц, предназначенные для управления угловым положением оптического луча в пространстве, на длине волны 364 нм.
Дефлектор серии AOBD 4100-UV изготовлен из диоксида теллура (Те02), оптимизирован для сканирующих применений на длине волны 364 нм.
Акустооптический дефлектор может управляться любым драйвером с номинальным сопротивлением- 50 Ом, однако рекомендуется использование драйвера NEOS, для систематического достижения оптимальной производительности
Оптический сигнал на входе серии AOBD 4100-UV не должен превышать 1 ватт в непрерывном режиме (CW).
Применение
- Лучевое сканирование
- Микрообработка
- Обработка материалов
- Он-лайн управление процессом
|
Параметр |
Значение |
Ед. измерения |
|
Материал |
Диоксид теллура (TeO2) |
|
|
Акустический режим |
режим сдвига, по оси |
|
|
Звуковая скорость |
0,617 |
мм/мкс |
|
Длина волны |
364 |
нм |
|
Центральная частота (Fc) |
100 |
МГц |
|
Частота модуляции |
75-125 |
МГц |
|
Вносимые потери |
10% |
|
|
Вх/вых. поляризация |
эллиптическая |
|
|
Минимальная дифракционная эффективность |
>70% |
|
|
Средняя дифракционная эффективность |
>75% |
|
|
RMS на 633 мм |
N/A |
|
|
Ширина пропускания по радиочастоте |
50 |
МГц |
|
Активная акустическая апертура |
4 мм (H) х 14 мм (L) |
мм |
|
Угол сканирования |
N/A |
|
|
Δ угла отклонения |
29,5 |
мрад |
|
Разрешение пятна |
1100 |
|
|
Произведение длительности сигнала на ширину полосы пропускания |
N/A |
|
|
ВЧ номинальная мощность |
< 1 |
Вт |
|
Сопротивление |
50 |
Ом |
|
Коэффициент стоячей волны по напряжению |
< 2.0:1 |
|
Все покупки на сайте осуществляются с помощью безналичной оплаты.
Все платежи для физических лиц осуществляются через сервис Paykeeper.
Также возможно оформление счета для оплаты от юридического лица (мы работаем с НДС).
Подробная информация на странице «Условия оплаты».

Мы доставляем грузы несколькими транспортными компаниями, подробнее узнать о которых вы можете в разделе «доставка».
Выбрать вариант доставки вы можете при оформлении заказа на сайте, либо связавшись с менеджером
Срок поставки менеджер уточнит после оформления заявки.