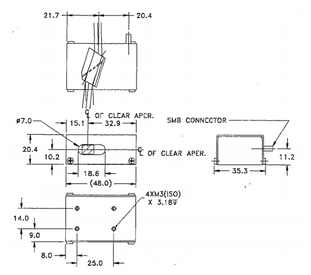
Акустооптические дефлекторы серии AOBD 4200-VI компании GOOCH&HOUSEGO, с центральной частотой управляющего сигнала 200 МГц, предназначенные для управления угловым положением оптического луча в пространстве, на длине волны 442 нм.
Дефлектор серии AOBD 4200-VI изготовлен из диоксида теллура (Те02), оптимизирован для сканирующих применений на длине волны 442 нм.
Акустооптический дефлектор может управляться любым драйвером с номинальным сопротивлением- 50 Ом, однако рекомендуется использование драйвера NEOS, для систематического достижения оптимальной производительности
Оптический сигнал на входе серии AOBD 4200-VI не должен превышать 1 ватт в непрерывном режиме (CW).
Применение
- Лучевое сканирование
- Микрообработка
- Маркировка
- Обработка материалов
- Печать
|
Параметр |
Значение |
Ед. измерения |
|
Материал |
Диоксид теллура (TeO2) |
|
|
Акустический режим |
Сдвиг, вне оси |
|
|
Звуковая скорость |
0,710 |
мм/мкс |
|
Длина волны |
442 |
нм |
|
Центральная частота (Fc) |
200 |
МГц |
|
Частота модуляции |
150-250 |
МГц |
|
Вносимые потери |
<5% |
|
|
Вх/вых. поляризация |
0° / 90°к плоскости крепления |
|
|
Минимальная дифракционная эффективность |
>70% |
|
|
Средняя дифракционная эффективность |
>75% |
|
|
RMS на 633 мм |
N/A |
|
|
Ширина пропускания по радиочастоте |
100 |
МГц |
|
Активная акустическая апертура |
4,8 |
мм |
|
Угол сканирования |
63,1 мрад@442 нм |
|
|
Разрешение пятна |
1100 |
|
|
Произведение длительности сигнала на ширину полосы пропускания |
N/A |
|
|
ВЧ номинальная мощность |
1 |
Вт |
|
Сопротивление |
50 |
Ом |
|
Коэффициент стоячей волны по напряжению |
< 2.0:1 |
|
Все покупки на сайте осуществляются с помощью безналичной оплаты.
Все платежи для физических лиц осуществляются через сервис Paykeeper.
Также возможно оформление счета для оплаты от юридического лица (мы работаем с НДС).
Подробная информация на странице «Условия оплаты».

Мы доставляем грузы несколькими транспортными компаниями, подробнее узнать о которых вы можете в разделе «доставка».
Выбрать вариант доставки вы можете при оформлении заказа на сайте, либо связавшись с менеджером
Срок поставки менеджер уточнит после оформления заявки.