- Длина волны 960 нм
- Выходная оптическая мощность 7 Вт
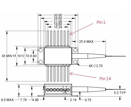
- Тип корпуса - "бабочка" 14-pin
- Параметры волокна - многомодовое 0.22 NA, 105 мкм
- Без охлаждения
- Встроенный термистор
- Сертификация в соответствии с Telcordia GR-468 Core / MIL-Std 883
Применение
- Волоконные лазеры
- Накачка иттербиевых лазеров
- Лазерная маркировка
Оптические и электрические характеристики:
|
Параметр |
Значение |
Единица измерения |
|
Центральная длина волны |
960 |
нм |
|
Рабочий ток |
9 |
А |
|
Рабочее напряжение |
2,2 |
В |
|
Выходная мощность |
7 |
Вт |
|
Пороговый ток |
0,4 |
А |
|
Смещение длины волны от температуры |
0,3 |
нм/°C |
|
Ширина спектральной линии |
6 |
нм |
|
Обратное напряжение фотодиода |
20 |
В |
|
Ток фотодиода |
0,1 |
мА |
|
Основной рабочий диапазон температур |
0 до +45 |
°C |
|
Сопротивление термистора |
10000 |
Ом |
|
β коэффициент термистора |
3892 |
Параметры волоконного вывода:
|
Параметр |
Значение |
Единица измерения |
|
Тип волокна |
Ступенчатое |
|
|
Материал покрытия |
PVDF |
|
|
Числовая апертура |
0.22 - 0.24 |
|
|
Диаметр сердцевины |
105 |
мкм |
|
Диаметр оболочки |
125 |
мкм |
|
Диаметр буфера |
250 |
мкм |
|
Диаметр покрытия |
900 |
мкм |
|
Длина волоконного вывода |
1 |
м |
Рабочие условия:
|
Параметр |
Значение |
Единица измерения |
|
Температура хранения |
-40 до +85 |
°C |
|
Диапазон рабочих температур |
-20 до +70 |
°C |
|
Прямой ток лазера |
11 |
А |
|
Обратное напряжение лазера |
2 |
В |
|
Прямой ток фотодиода |
20 |
мА |
|
Обратное напряжение фотодиода |
20 |
В |
|
Ток термистора |
2 |
мА |
|
Напряжение термистора |
5 |
В |
|
Полная нагрузка на волокно |
5 |
Н |
|
Радиус изгиба волокна |
35 |
мм |
|
Электростатический разряд |
500 |
В |
|
Время пайки выводов |
10 |
с |
|
Температура пайки выводов |
250 |
°C |
Все покупки на сайте осуществляются с помощью безналичной оплаты.
Все платежи для физических лиц осуществляются через сервис Paykeeper.
Также возможно оформление счета для оплаты от юридического лица (мы работаем с НДС).
Подробная информация на странице «Условия оплаты».

Мы доставляем грузы несколькими транспортными компаниями, подробнее узнать о которых вы можете в разделе «доставка».
Выбрать вариант доставки вы можете при оформлении заказа на сайте, либо связавшись с менеджером
Срок поставки менеджер уточнит после оформления заявки.