Особенности:
- Разрешение 2.3 Мп;
- Поддержка GenlCam и GigE Vision;
- Поддержка HALCON, Vision Pro, Labview;
- Поддержка NVIDIA TXl, TX2, Windows, Linux.
|
Параметр |
Значение |
|
|
Сенсор |
Производитель |
ON Semiconductor |
|
Модель |
PYTHON 2000 |
|
|
Тип затвора |
Глобальный затвор |
|
|
Размер сенсора |
2/3" |
|
|
Тип сенсора |
КМОП |
|
|
Разрешение |
1920 x 1920 пикс |
|
|
Размер пикселя |
4.8 мкм x 4.8 мкм |
|
|
Частота кадров |
50 кадр/с |
|
|
Тип матрицы |
Черно-белая |
|
|
Стандарт EMVA |
Динамический диапазон |
60.0 дБ |
|
Отношение сигнал/шум (тип.) |
>38.5 дБ |
|
|
Камера |
Интерфейс |
GigE |
|
АЦП |
8/10 бит |
|
|
Синхронизация |
Программный триггер |
|
|
Вход/выход |
x1 оптоизолированный вход |
|
|
Источник питания |
Через PoE или 6-24В |
|
|
Конструкция |
Конструкция |
Компактная промышленная конструкция |
|
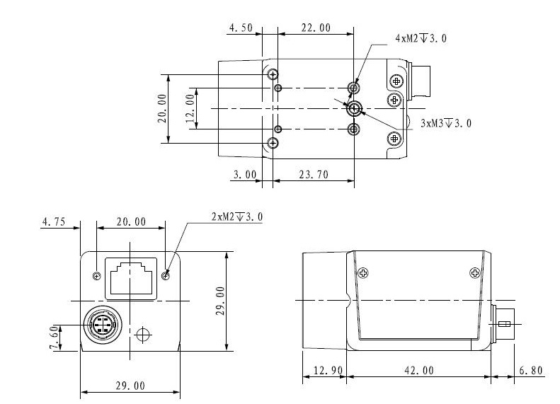
Габаритные размеры (Д x Ш x В) |
42 мм x 29 мм x 29 мм |
|
|
Крепление объектива |
C-Mount (доступно CS-Mount) |
|
|
Температура |
-30…+50 °C (рабочая) |
|
|
Вес (тип.) |
88 г |
|
|
Программное обеспечение |
Драйвер, SDK |
Дополнительный комплект для разработки для камер серии Mars (iCentral) или стороннее программное обеспечение, поддерживающее протокол GigE Vision |
|
Операционная система |
Windows, Linux |
|
|
Соответствие |
GigE Vision и GenICam |
|
Все покупки на сайте осуществляются с помощью безналичной оплаты.
Все платежи для физических лиц осуществляются через сервис Paykeeper.
Также возможно оформление счета для оплаты от юридического лица (мы работаем с НДС).
Подробная информация на странице «Условия оплаты».

Мы доставляем грузы несколькими транспортными компаниями, подробнее узнать о которых вы можете в разделе «доставка».
Выбрать вариант доставки вы можете при оформлении заказа на сайте, либо связавшись с менеджером
Срок поставки менеджер уточнит после оформления заявки.